適用范圍:
◇適用于爆炸性氣體環境1區、2區場所;
◇適用于II A、II B類爆炸性氣體環境;
◇適用于T1~T4組溫度組別;
◇廣泛用于石油開采、煉油、化工、海洋石油平臺、郵輪等易燃易爆氣體環境。
技術參數:
◇執行標準: GB3836.1、GB3836.2、GB3836.3、IEC60079-1、IEC60079-7、EN60079-0、EN60079-1、EN60079-7
◇防爆標志: Exd II B T4 /T5 /T6 Gb/Ex tD A21 IP66 T135/95/80°C
◇額定電壓: 380V/400V(如有特殊要求請注明)
◇防護等級: IP54、 IP65( 戶外配防雨罩)
◇防腐等級: WF1、*WF2
?適用類別: AC-3、AC-4
產品特色:
◇防爆軟起動器用于三相鼠籠式異步電機的力矩控制軟起動和軟停機。它提供帶有機器和電機保護功能的軟起動和減速功能,同時還具備與控制系統通訊的功能,它高性能的算法對提高設備的可能性、安全性和設置易用性起了顯著作用;
◇軟起動器具有Altistart轉矩控制功能,在加速和減速期內對供給電機的轉矩進行線性控制,便于調整斜坡和起動轉矩,寬頻率適用于發電動力電源,它可以與每個電機三角形連接的繞組串聯連接;
◇設置內置電機熱保護,PTC直接熱保護,起動時間檢測,電機預熱功能,連續運行中欠載和過電流的保護;
◇操作面板可用于修改編程,調整或監測,以便能夠對設備進行調整和優化以適應不同用戶的要求;
◇可根據負載特性選用常規起動和重載起動,起動參數可自行設定;
◇外殼采用鋼板焊接而成,表面高壓靜電噴塑。
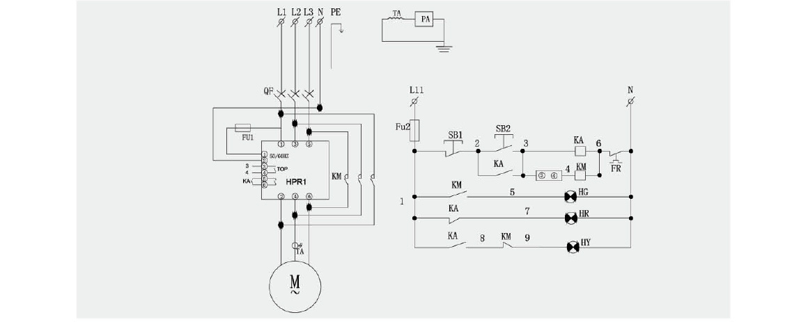
電氣原理圖示例
